Signal Chain ICs

PJ74AUP1G32

Datasheet
Add to Consultation List

Product Description

Low-Power Single 2-Input Positive-OR Gate

Product Features

Inputs Accept Voltages 0.8 V to 3.6 V
Max TPD of 5 ns at 3.3 V
Low Static-Consumption, 0.9-μA Max ICC
Low Noise Overshoot and Undershoot<10% of VCC
Ioff Supports Live Insertion, Partial-Power-Down Mode, and Back-Drive Protection
Input Hysteresis Allows Slow Input Transition and Better Switching Noise Immunity at Input(Vhys= 250mV Typical 3.3V)
3.6V I/O Tolerant to Support Mixed-Mode Signal Operation
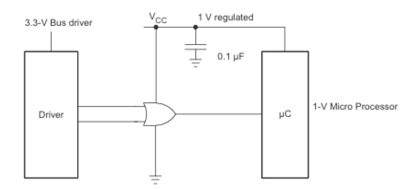
Suitable for Point-to-Point Applications
Latch-Up Performance Exceeds 100 mA Per JESD 78, Class II
ESD Protection Exceeds JESD 22:2000-V Human-Body Model (A114-A),1000-V Charged-Device Model (C101)

Product Introduction

Product Specifications

Consultation List

Product Introduction

This single 2-input positive-OR gate is designed for 0.8-V to 3.6-V VCC operation. The PJ74AUP1G32 performs the Boolean function Y = A + B or Y = A • B in positive logic. The CMOS device has high output drive while maintaining low static power dissipation over a broad VCC operating range. The PJ74AUP1G32 device is available in a variety of packages, including SOT23-5, SC70-5.

Product Specifications

Recommended Operating Conditions

Drag the table to view the full information.

Parameter
Symbol
Test Conditions
Min
Max
Units
Supply voltage
VCC
Operating
0.8
3.6
V
Input voltage
VI
-
0
3.6
V
Output voltage
VO
-
0
VCC
V
High- level input voltage
VIH
VCC = 0.8V
VCC
-
V
High- level input voltage
VIH
VCC = 1.1V to 1.95V
0.65 xVCC
-
V
High- level input voltage
VIH
VCC = 2.3V to 2.7V
1.6
-
V
High- level input voltage
VIH
VCC = 3V to 3.6V
2
-
V
Low- level input voltage
VIL
VCC = 0.8V
-
0
V
Low- level input voltage
VIL
VCC = 1.1V to 1.95V
-
0.35 x VCC
V
Low- level input voltage
VIL
VCC = 2.3V to 2.7V
-
0.7
V
Low- level input voltage
VIL
VCC = 3V to 3.6V
-
0.9
V
High- level output current
IOH
VCC = 0.8V
-
-20
μA
High- level output current
IOH
VCC = 1.1V
-
-1.1
mA
High- level output current
IOH
VCC = 1.4V
-
-1.7
mA
High- level output current
IOH
VCC = 1.65V
-
-1.9
mA
High- level output current
IOH
VCC = 2.3V
-
-3.1
mA
High- level output current
IOH
VCC = 3V
-
-4
mA
Low- level output current
IOL
VCC = 0.8V
-
20
μA
Low- level output current
IOL
VCC = 1.1V
-
1.1
mA
Low- level output current
IOL
VCC = 1.4V
-
1.7
mA
Low- level output current
IOL
VCC = 1.65V
-
1.9
mA
Low- level output current
IOL
VCC = 2.3V
-
3.1
mA
Low- level output current
IOL
VCC = 3V
-
4
mA
Input transition rise or fall rate
△T/△V
VCC = 0.8V to 3.6V
-
200
ns/V
Operating temperature
TA
-
-40
85
°C

Key Electrical Characteristics

Drag the table to view the full information.

Parameter
Symbol
Test Conditions
Min
Max
Units
High- level output voltage
VOH
VCC = 0.8~3.6V, IOH= -20uA
VCC-0.1
-
V
High- level output voltage
VOH
VCC = 1.1V, IOH= -1.1mA
0.75 xVCC
-
V
High- level output voltage
VOH
VCC = 1.4V, IOH= -1.7mA
1.11
-
V
High- level output voltage
VOH
VCC = 1.65V, IOH= -1.9mA
1.32
-
V
High- level output voltage
VOH
VCC = 2.3V, IOH= -2.3mA
2.05
-
V
High- level output voltage
VOH
VCC = 2.3V, IOH= -3.1mA
1.9
-
V
High- level output voltage
VOH
VCC = 3V, IOH= -2.7mA
2.72
-
V
High- level output voltage
VOH
VCC = 3V, IOH= -4mA
2.6
-
V
Low- level output voltage
VOL
VCC = 0.8~3.6V, IOL= 20uA
-
0.1
V
Low- level output voltage
VOL
VCC = 1.1V, IOL= 1.1mA
-
0.3 xVCC
V
Low- level output voltage
VOL
VCC = 1.4V, IOL= 1.7mA
-
0.31
V
Low- level output voltage
VOL
VCC = 1.65V, IOL= 1.9mA
-
0.31
V
Low- level output voltage
VOL
VCC = 2.3V, IOL= 2.3mA
-
0.31
V
Low- level output voltage
VOL
VCC = 2.3V, IOL= 3.1mA
-
0.44
V
Low- level output voltage
VOL
VCC = 3V, IOL= 2.7mA
-
0.31
V
Low- level output voltage
VOL
VCC = 3V, IOL= 4mA
-
0.44
V
Input leakage current
Il
VIN= 3.6V or GND, VCC= 0~3.6V
-
0.1
μA
Power off leakage current
IOFF
VI or VO=0V to 3.6V, VCC=0V
-
0.2
μA
Supply current
ICC
VI= GND or (VCC to 3.6V), IOUT=0, VCC=0.8~3.6V
-
0.5
μA
Additional supply current per input pin
△ICC
VI= VCC-0.6V, IOUT=0
-
40
μA

Product added!

Go To List