Motor Drivers

PM20025G-04

Datasheet
Add to Consultation List

Product Description

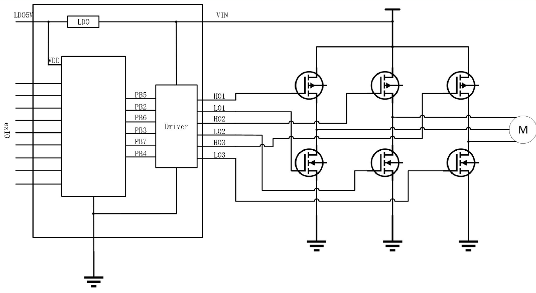
Motor MCU with 3-Phase 40V Pre Driver Embedde

Product Features

48MHz ARM® Cortex®-M0
Flash 32 Kbyte , SRAM 4 Kbyte
Operating Voltage Range 8V ~ 40V
Three-phase brushless gate drivers , Drive Current: +300mA/-60mA(typ.) , dead-time: 50ns (typ.)
On-chip LDOs 5V
Operating Junction Temperature Range -40°C ~ +105°C
Data Communication Interface , UART*2 ; I2C*1 ; High-Speed SPI *1
GPIOs ; RESET ; DMA ; DVSQ ; Clock Control ; Timers ; ADCs ; COMP ; OP AMP
CPU Tracing and Debugging
96-bit MetaWells UID
WQFN6x6-40

Product Introduction

Product Specifications

Related Files

Consultation List

Product Introduction

The PM20025G-04 series uses an ARM® Cortex®-M0 core with a maximum operating frequency of up to 48MHz, and is equipped with 32Kbyte of Flash and 4Kbyte of SRAM.


Built-in a 16-bit advanced timer with 3 PWM outputs, all of which have asymmetric dead zone complementary outputs, a 32-bit general-purpose timer, a 16-bit general-purpose timer, and a 16-bit basic timer.


Built-in 1 simple RTC, supports alarm clock function, can run in low power consumption mode, provides a wake-up source for the chip. Built-in analog circuit includes: 1 12-bit ADC dual-channel simultaneous sampling and protection, as well as up to 10 external channels, 3 analog operational amplifiers with PGA mode, 4 analog comparators with threshold PGA, 1 power-on/power-down/under-voltage reset circuit POR/PDR/BOR, and 1 internal reference voltage for on-chip ADC sampling.


All pins except for power, ground, and NRST can be used as GPIO, peripheral IO, or external interrupt inputs; In applications where the number of pins is limited, provide as many pins as possible.


Support traditional Flash read-write protection, as well as the patented Flash code encryption developed by PANJIT International Inc..


PM20025G-04 built-in multiple communication interfaces: 2-channel UART, 1-channel high-speed SPI, 1-channel I2C.


It also integrates a hardware division and square root operation unit DVSQ, which improves the software processing capability and the ability to quickly respond to external events.


Support Sleep and Stop low power consumption modes, suitable for applications with high requirements for low power consumption of chips.


PM20025G-04 integrates three independent PMOS and three independent NMOS gate drivers and outputs 5.0V, 50mA LDO.

Product Specifications

MCU

Drag the table to view the full information.

Features
Specification
Core
ARM® Cortex®-M0
Operating Frequency
48MHz

Memory

Drag the table to view the full information.

Features
Specification
Flash(Kbyte)
32
SRAM(Kbyte)
4

Clock

Drag the table to view the full information.

Features
Specification
HSI
8 MHz /12 MHz / 48MHz
LSI
40kHz
PLL Clock
Supported
External HSE
4~32MHz
External LSE
32.768kHz

Timer

Drag the table to view the full information.

Features
Specification
Advanced Timer
1(16 bit):TIM1
General-Purpose Timer
1(32 bit):TIM2 1(16 bit):TIM3
Basic Timer
1(16 bit):TIM6
Simple RTC
1 Independent 32-bit Counter (operable in low-power mode)
System Tick Timer
1
IWDG
1
WWDG
1

Communication Peripherals

Drag the table to view the full information.

Features
Specification
UART
2
I2C
1
SPI
1

ADC

Drag the table to view the full information.

Features
Specification
Number of ADCs (External Analog Channel Count)
1 (10)
Reference Selection
Internal Reference Voltage
ADC Conversion Frequency
1MSPS
ADC Accuracy
12 bit

Others

Drag the table to view the full information.

Features
Specification
GPIO
30
DMA(channels)
1(5 channels)
DVSQ
1
Voltage Comparator (COMP)
4
Operational Amplifier (OPAMP)
3

Related Files

Technical Documentation

No.
Item
File Format
Download

PM20025G-04_Datasheet

PDF

Product added!

Go To List