Motor Drivers

PM30225Q-0405

Datasheet
Add to Consultation List

Product Description

40V , 5A , High Density All in One Motor Driver

Product Features

64MHz ARM® Cortex®-M0
Flash 32Kbyte , SRAM 4Kbyte
Operating Voltage Range 5.0V ~ 24V
N-channel MOS:VDS =24V,ID =5A , P-Channel MOS:VDS =-24V,ID =-5A
Operating Junction Temperature Range -40°C ~ +105°C
Data Communication Interface , UART*2 ; I2C*1
GPIOs ; RESET ; Clock Control ; Timers ; ADCs
CPU Tracing and Debugging
96-bit MetaWells UID
TSSOP-25
To meet AEC-Q100 requirements.

Product Introduction

Product Specifications

Related Files

Consultation List

Product Introduction

test

The PM30225Q-0405 series is a dedicated motor driver chip utilising the ARM® Cortex®-M0 core, operating at a maximum frequency of 64MHz, with integrated 32Kbyte Flash and 4Kbyte SRAM.


The PM30225Q-0405 incorporates one 16-bit advanced timer, one 32-bit general-purpose timer, one 16-bit general-purpose timer, and one 24-bit Hall sensor dedicated timer.


The integrated analog circuit includes: one 12-bit ADC (supporting 14 external analog input channels and 6 internal input channels), two programmable operational amplifiers (with PGA1 supporting dual-phase current polling amplify), two voltage comparators (incorporating BEMF neutral point real-time detection),one power-on/powerdown reset circuit (POR/PDR), one Programmable Voltage Detector/Brown-Out Reset circuit (PVD/BOR), one internal temperature sensor, one internal reference voltage (sampled via the on-chip ADC), and an internal analog power supply circuit delivering 2.4V/3.6V outputs.


All pins on the PM30225Q-0405, except power supply and ground, can function as GPIO, peripheral I/O, or external interrupt inputs.


The PM30225Q-0405 supports conventional Flash read/write protection.


The PM30225Q-0405 supports multiple communication interfaces: 2 serial UARTs and 1 I²C.


The PM30225Q-0405 further integrates a hardware division-square root unit (DVSQ) to enhance software processing capabilities and rapid response to external events.


The PM30225Q-0405 supports low-power Sleep and Stop modes, making it suitable for applications demanding high chip power efficiency.


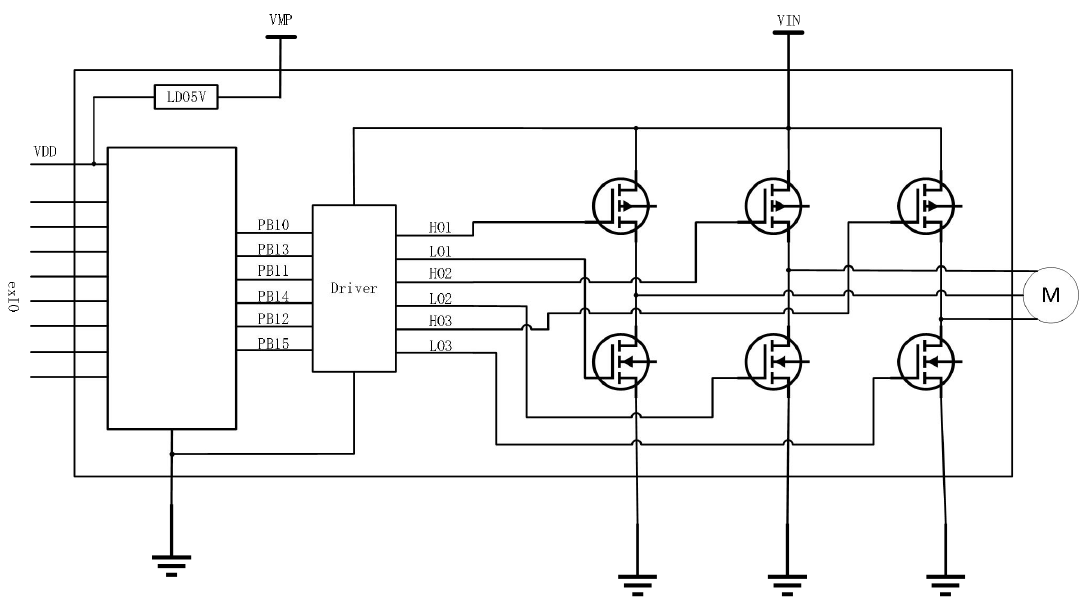
The PM30225Q-0405 incorporates a three-phase brushless gate driver capable of operating up to 36V, designed to drive P+N structure MOSFETs.


It integrates three half-bridge P+N MOSFETs supporting low RDS(ON) values.


Operating within a temperature range of -40°C to +105°C and a supply voltage of 5V to 24V, the PM30225Q-0405 meets the requirements of most application environments.

Product Specifications

MCU

Drag the table to view the full information.

Features
Specification
Core
ARM® Cortex®-M0
Operating Frequency
64MHz

Memory

Drag the table to view the full information.

Features
Specification
Flash(Kbyte)
32
SRAM(Kbyte)
4

Clock

Drag the table to view the full information.

Features
Specification
Internal LSI
40 kHz
Internal HSI
8 MHz /64 MHz
External GPIO clock
0~32MHz

Timer

Drag the table to view the full information.

Features
Specification
General-Purpose Timer (UTU)
1 (32-bit) : UTU1 1 (16-bit) : UTU2
Hall Timer (HTU)
1 (24-bit)
System Tick Timer
1
Independent Watchdog (IWDG)
1
Window Watchdog (WWDG)
1

Communication Peripherals

Drag the table to view the full information.

Features
Specification
UART
2
I2C
1

ADC

Drag the table to view the full information.

Features
Specification
Number of ADCs and external channels
1(9+4)
VREFP Internal Supply Voltage
VDDA / 2.4V Vref / 3.6V Vref Selectable
Reference Selection
Internal Reference Voltage VREFINT
ADC Conversion Rate
2.285MSPS(ADC_CLK=32MHz)
ADC accuracy
12-bit

Others

Drag the table to view the full information.

Features
Specification
GPIO
14
Voltage Comparator (CMP)
2
Programmable Operational Amplifier (PGA)
2

Related Files

Technical Documentation

No.
Item
File Format
Download

PM30225Q-0405_Datasheet

PDF

Product added!

Go To List